
YB-150A/ YB-150B精密壓力表主要與壓力校驗裝置配套使用來校驗工業用普通壓力表的精密級壓力表,精密壓力表精度有0.4級與0.25級,精密壓力表也可對銅合金和合金結構鋼等材質無腐蝕性、非結晶、非凝固性介質的壓力進行精確的測量;根據工藝現場有振動的場合精密壓力表可以做成耐震型精密壓力表來對工藝參數測量。
精密壓力表結構:
YB-150系列精密壓力表由測壓系統、傳動機構、指示裝置和外殼組成。精密壓力表的測壓彈性元件經特殊工藝處理,使精密壓力表性能穩定可靠,與高精度的傳動機構配套調試后,能確保正確的指示精度。
精密壓力表的工作原理:
當被測介質的壓力作用于彈性元件后,使其產生彈性變形、位移,經拉桿帶動傳動機構放大,由指示裝置指示被測壓力。
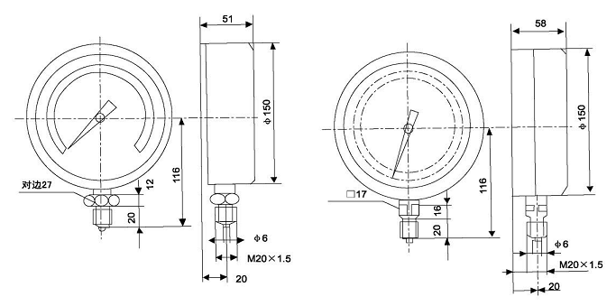
精密壓力表的外形尺寸:
精密壓力表主要技術指標:
○精密壓力表測量范圍、精確度等級及特點
|
型號
|
彈簧管材料
|
測量范圍MPa
|
精度等級%
|
結構特點
|
|
YB-150A
|
錫磷青銅
鉻釩鋼
不銹鋼304 |
-0.1~0;0-0.1;0-0.16;0-0.25
;0-0.4;0-0.6;0-1;0-1.6;
0-2.5;0-4;0-6;0-10;
0-16;0-25;0-40;0-60
|
0.4
|
鏡面
|
|
YB-150B
|
0.25
|
鏡面
|
○YB-150系列精密壓力表使用環境條件:5~40℃,相對濕度不大于80%,且環境震動和壓力源的波動對儀表的精確讀數無影響。
○YB-150系列精密壓力表溫度影響:使用環境溫度如偏離20±3℃(A型)或20±2℃(B型)時,則須考慮溫度附加誤差0.4%/10℃
○精密壓力表有普通精密壓力表、不銹鋼精密壓力表、不銹鋼耐震精密壓力表系列產品
○精密壓力表作為精密級壓力表,在每使用6個月后需要經過當地的計量測試部門重新校準后再投入使用。
○為適應不同的使用環境,精密壓力表在材質上有普通型與不銹鋼材質;功能上有YBN-150A與YBN-150B型耐震型精密壓力表(不銹鋼材質)。
○YB-150系列精密壓力表重量:1kg(A型) 1.4kg(B型)